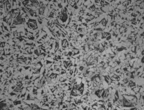
魏氏体,在0.15% ~ 0.50% C的钢中产生,在铸造、锻造和焊接加工时,由于加热温度过高,导致奥氏体晶粒较粗;冷却时,产生的先共析铁素体呈片状或粗大羽毛状,与原奥氏体有一定位向关系,这种组织称为魏氏体组织。在亚共析钢中常见的魏氏组织呈羽毛状,有呈等边三角形的,有与铁素体相互垂直的,也有混合型的魏氏组织。
产生异常组织的原因
魏氏组织产生主要原因是锻造时的加热温度过高,奥氏体晶粒粗大,冷却时产生魏氏组织。魏氏组织容易出现在过热钢中,因此,奥氏体晶粒越粗大,越容易出现魏氏组织。低合金钢的锻造加热一般在氧化性气氛中进行,如发生过烧现象,也形成严重的魏氏体组织,过烧组织在随后的热处理过程中是无法修复的。魏氏组织常伴随着奥氏体晶粒粗大而出现,也即晶粒粗大与过热魏氏组织是相随相生的。钢由高温较快地冷却下来往往容易出现魏氏组织,慢冷则不易出现。在低合金钢的锻造过程中,即使始锻、终锻温度合适,如锻后冷却不规范,也有可能形成魏氏体组织。结合金相分析结果来看,钢的表面形成大量魏氏组织,但脱碳现象不是特别严重,因此,可能只是加热温度过高导致晶粒粗大、形成魏氏组织,在过热温度段停留时间不是特别长而未造成严重脱碳现象。
齿轮毛坯锻打开裂的原因
钢由于加热温度过高导致奥氏体晶粒粗大,并产生魏氏组织,会导致钢的力学性能尤其是塑性和冲击韧性显著降低,同时使脆性转折温度升高,即增加钢的脆性,因此严重的魏氏组织会导致后续锻打加工时产生开裂。结合锻打试样的形貌,裂纹向基体延伸与钢的表面基本呈特定的方向(30°、45°角) ,这与魏氏组织与原奥氏体有一定位向是对应的。可见锻打裂纹的形貌及组织分析结果都表明,导致锻打开裂的原因是钢过热导致奥氏体晶粒粗大、产生魏氏组织。
1) 通过化学成分、非金属夹杂物、金相组织等分析,表明锻打开裂的齿轮毛坯试样存在异常的魏氏组织及晶粒粗大现象;
2) 分析魏氏组织及晶粒粗大产生原因可知,导致锻打开裂的主要原因是毛坯加热温度过高,导致奥氏体晶粒异常粗大,同时产生魏氏组织,使齿轮毛坯的脆性转折温度升高,即增加钢的脆性,最终导致锻打时开裂;
3) 预防齿轮钢锻打开裂的主要措施是控制好加热温度,防止过热,并控制锻后冷却速度,防止冷速过快。
